Consegna veloce
Consegna espressa in 30 giorni



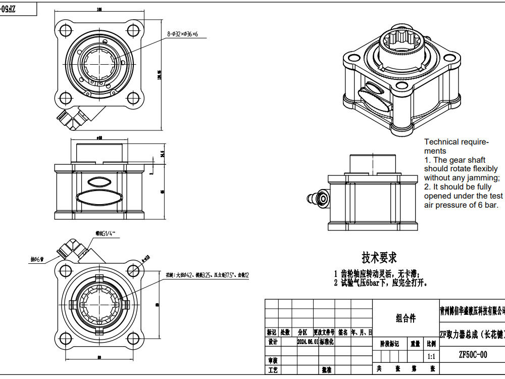
La presa di forza ZF50C è un'unità PTO robusta, controllata pneumaticamente, progettata per applicazioni industriali e mobili globali esigenti. Con una potente coppia di uscita di 479,7 Nm, montaggio standard e lubrificazione a pressione, fornisce potenza ausiliaria affidabile per un'ampia gamma di macchinari pesanti nel settore delle costruzioni, agricoltura, movimentazione materiali e altri settori industriali.
| Serie ZF50 Presa di Forza Parameters | |
|---|---|
| Pressione aria di controllo | 6 bar |
| Tipo di montaggio | A 4 bulloni |
| Senso di rotazione in uscita | Opposto al senso di rotazione del motore |
| Modalità di azionamento | Pneumatico (cilindro a semplice effetto) con ritorno a molla |
| Rapporto di velocità | 1:1 |
| Coppia di uscita nominale | 479.7 Nm |
| Opzione di lubrificazione | Lubrificazione a pressione |
| Opzione di montaggio | Montaggio standard |
In qualità di produttore leader a livello globale, presentiamo con orgoglio la presa di forza ZF50C, una soluzione ad alte prestazioni progettata per affidabilità ed efficienza in diverse applicazioni industriali e mobili. Offriamo servizi completi di produzione, OEM, ODM, personalizzazione e all'ingrosso e siamo attivamente alla ricerca di distributori, grossisti, agenti e commercianti a livello globale.
**Caratteristiche e vantaggi del prodotto:**
* **Coppia di uscita nominale elevata:** Con una robusta coppia di 479,7 Nm, la ZF50C è progettata per gestire le esigenze di potenza impegnative delle applicazioni gravose, garantendo prestazioni ottimali.
* **Controllo pneumatico (cilindro a semplice effetto con ritorno a molla):** Offre un innesto/disinnesto preciso e affidabile. Il cilindro a semplice effetto con meccanismo di ritorno a molla garantisce un funzionamento semplice, efficace e sicuro. Funziona in modo efficiente con una pressione dell'aria di controllo di 6 bar.
* **Opzione lubrificazione a pressione:** Questa caratteristica fondamentale garantisce una lubrificazione continua ed efficace dei componenti interni, prolungando significativamente la durata dell'unità PTO, soprattutto in condizioni di carico continuo e pesante.
* **Opzione di montaggio standard:** Facilita l'integrazione con un'ampia gamma di motori e trasmissioni, riducendo i tempi e i costi di installazione.
* **Rapporto di velocità 1:1:** Fornisce un trasferimento di potenza diretto ed efficiente dal motore all'attrezzatura ausiliaria senza riduzione o amplificazione della velocità.
* **Sterzo in uscita opposto al motore:** Progettato per una specifica compatibilità di sistema, garantendo la corretta direzione di rotazione per i componenti azionati.
* **Costruzione durevole:** Realizzato con materiali di alta qualità per resistere ad ambienti operativi difficili e fornire affidabilità a lungo termine.
**Scenari applicativi:**
La nostra presa di forza ZF50C è un componente indispensabile per una moltitudine di settori e tipi di veicoli che richiedono potenza idraulica ausiliaria o azionamento meccanico:
* **Costruzioni e Movimento Terra:** Ideale per l'azionamento di pompe idrauliche su GRU FUORISTRADA, PALE GOMMATE, TERNE, DUMPER, MOTONIVELLATRICI e POMPE PER CALCESTRUZZO CON BRACCIO.
* **Movimentazione Materiali:** Essenziale per fornire potenza ausiliaria a SOLLEVATORI TELESCOPICI e CARRELLI ELEVATORI per vari accessori e funzioni.
* **Agricoltura:** Cruciale per TRATTORI E CARICATORI FRONTALI, MIETITREBBIA, PRESSE e SPRUZZATRICI, per l'azionamento di attrezzi e sistemi idraulici.
* **Veicoli Industriali:** Adatta per vari veicoli specializzati che necessitano di potenza affidabile per verricelli, compressori, compattatori di rifiuti e altre attrezzature ausiliarie. La ZF50C garantisce che queste macchine operino con la massima efficienza e tempi di inattività minimi.



