Consegna veloce
Consegna espressa in 30 giorni



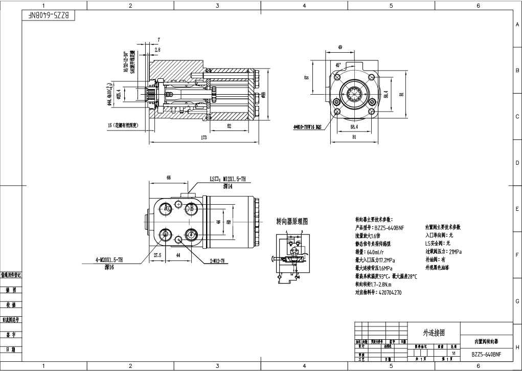
L'unità di sterzo TLF-E640 è un'unità di sterzo idraulica personalizzabile e ad alte prestazioni con una cilindrata di 640 ml/giro, progettata per varie attrezzature per la movimentazione dei materiali e l'edilizia. Costruita in ghisa resistente e con una pressione di ingresso massima di 16 MPa, fornisce un controllo dello sterzo affidabile ed efficiente.
| Serie TLF Unità di Sterzo Parameters | |
|---|---|
| Cilindrata | 800 ml/r, 1000 ml/r, 640 ml/r |
| Blocco valvole | Personalizzabile |
| Materiale | Ghisa |
| Portata nominale | 48 L/min, 60 L/min, 75 L/min |
| Contropressione massima continua | 1,6 MPa |
| Pressione massima di ingresso | 16 MPa |
L'unità di sterzo TLF-E640 è un componente idraulico robusto e affidabile, ideale per una vasta gamma di applicazioni nella movimentazione dei materiali e nell'edilizia. Le caratteristiche principali includono:
* **Alte Prestazioni:** Una cilindrata di 640 ml/giro e una portata nominale di 48 L/min garantiscono un controllo dello sterzo reattivo e preciso, anche sotto carichi pesanti.
* **Costruzione Duratura:** L'uso della ghisa garantisce prestazioni di lunga durata e resistenza all'usura in ambienti operativi esigenti.
* **Blocco Valvole Personalizzabile:** Personalizza la configurazione del blocco valvole per soddisfare i tuoi requisiti applicativi specifici, offrendo flessibilità e integrazione ottimale con il tuo sistema esistente.
* **Capacità ad Alta Pressione:** Una pressione di ingresso massima di 16 MPa consente il funzionamento in applicazioni ad alta richiesta, dimostrando la forza e la resilienza dell'unità.
* **Applicazioni Versatili:** Adatta per sollevatori telescopici, carrelli elevatori, pale compatte, pale gommate compatte, pale gommate e terne, fornendo un controllo dello sterzo superiore su diverse tipologie di attrezzature.
* **Portata Globale:** Offriamo opzioni di produzione, OEM, ODM, private label, personalizzazione e all'ingrosso per soddisfare le esigenze dei clienti in tutto il mondo. Cerchiamo attivamente distributori, grossisti, agenti e partner commerciali.
L'TLF-E640 è la soluzione perfetta per produttori e integratori che cercano un'unità di sterzo idraulica di alta qualità, affidabile e personalizzabile per le loro attrezzature. Contattaci oggi per discutere le tue esigenze specifiche ed esplorare opportunità di collaborazione.



