Consegna veloce
Consegna espressa in 30 giorni



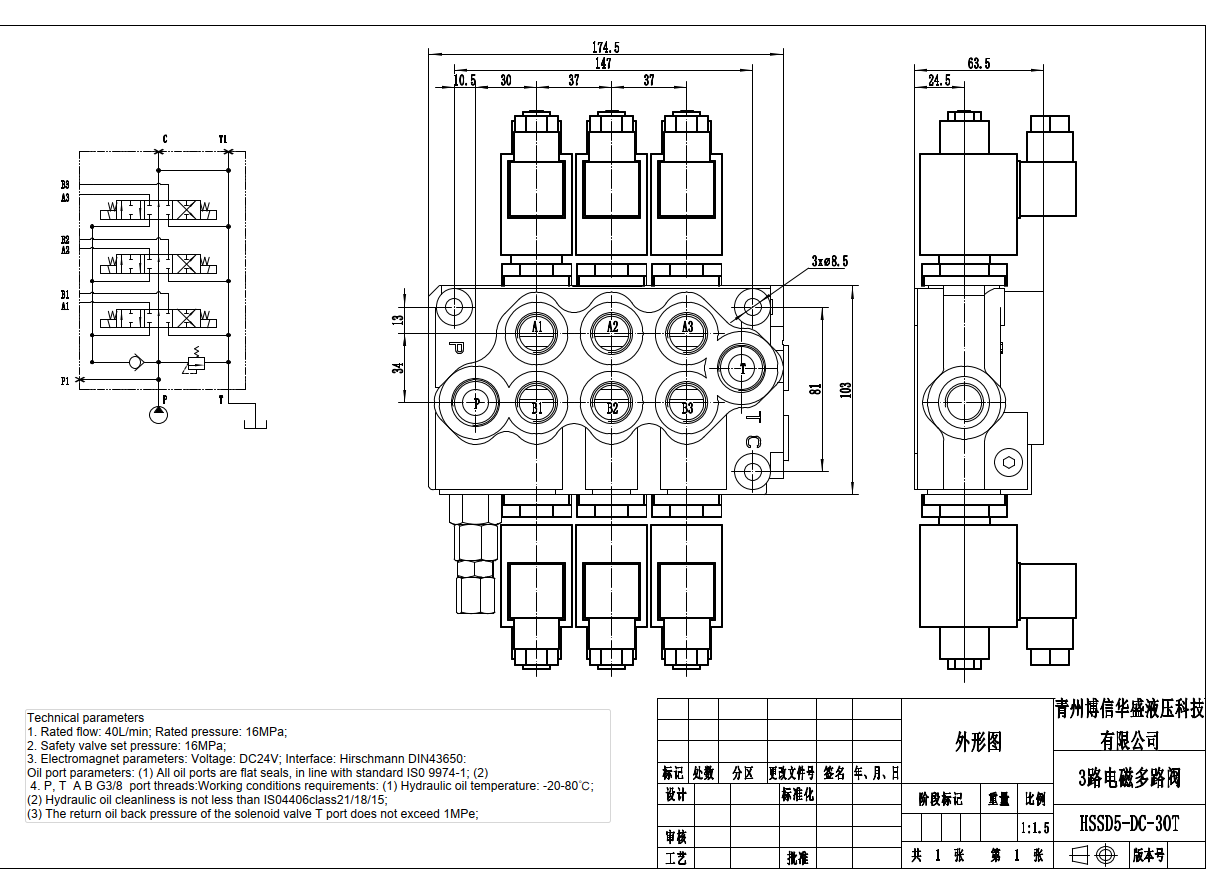
La valvola direzionale monoblocco a 3 bobine elettrocomandata SD5 è una valvola idraulica ad alte prestazioni progettata per applicazioni esigenti. Con una portata nominale di 40 L/min e una pressione massima di 305 bar, offre eccellenti capacità di controllo del flusso e gestione della pressione. Il design monoblocco compatto della valvola garantisce durabilità e affidabilità in condizioni operative difficili.
| Serie SD5 Valvola direzionale monoblocco Parameters | |
|---|---|
| Metodo di Controllo | Manuale, Pneumatico, Elettropneumatico, Elettroidraulico, Solenoide, Idraulico, Idraulico e Manuale, Cavo, Joystick |
| Spoo | 1 Spool, 2 Spool, 3 Spool, 4 Spool, 5 Spool, 6 Spool |
| Portata nominale | 40 L/min (10.5 US gpm) |
| Pressione massima | 305 bar (4400 psi) |
| Attacco di ingresso | G3/8, G1/2, M18×1.5, M20×1.5, SAE 6, SAE 8, G1-1/2 |
| Attacco di uscita | G3/8, G1/2, M18×1.5, M20×1.5, SAE 6, SAE 8 |
| Dimensione attacco | G3/8, G1/2, M18×1.5, M20×1.5, SAE 6, SAE 8 |
| Sezione | Sezione 1, Sezione 2, Sezione 3, Sezione 4, Sezione 5, Sezione 6, Sezione 7 |
| Tipo di struttura | Valvola monoblocco |
| Intervallo di temperatura ambiente | -40°C to +60°C (-40°F to +140°F) |
| Intervallo di viscosità operativa | 15 - 75 mm²/s (15 cSt to 75 cSt) |
**Caratteristiche e Vantaggi:**
* Design monoblocco compatto per durabilità e affidabilità
* Design a 3 bobine per un controllo versatile del flusso
* Controllo a solenoide per un funzionamento preciso e reattivo
* Portata nominale di 40 L/min per una gestione efficiente del fluido
* Pressione massima di 305 bar per applicazioni esigenti
* Intervallo di viscosità operativa di 15 - 75 mm²/s per compatibilità con vari fluidi
* Intervallo di temperatura ambiente da -40°C a +60°C per il funzionamento in condizioni estreme
**Applicazioni:**
* Sistemi idraulici mobili
* Macchinari industriali
* Attrezzature edili
* Macchinari agricoli
* Attrezzature per la movimentazione dei materiali



