Consegna veloce
Consegna espressa in 30 giorni



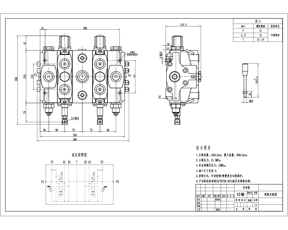
La Valvola Direzionale Sezionale SD25 Manuale a 1 Bobina è una valvola ad alte prestazioni, controllata manualmente, progettata per l'uso in un'ampia gamma di applicazioni. Presenta una costruzione monoblocco per una maggiore durata e affidabilità, e un'elevata portata di 240 L/min (63.4 US gpm) per soddisfare le esigenze anche delle applicazioni più impegnative.
| Serie SD25 Valvola direzionale sezionale Parameters | |
|---|---|
| Spoo | 1 Spool, 2 Spool, 3 Spool, 4 Spool, 5 Spool, 6 Spool |
| Metodo di Controllo | Manuale, Elettroidraulico, Idraulico |
| Dimensione attacco | G1, G1-1/4, SAE 12 |
| Sezione | Sezione 1, Sezione 2, Sezione 3, Sezione 4, Sezione 5, Sezione 6, Sezione 7, Sezione 8, Sezione 9, Sezione 10 |
| Intervallo di temperatura ambiente | -40°C to +80°C (-40°F to +176°F) |
| Intervallo di viscosità operativa | 12 - 400 mm²/s (12 cSt to 400 cSt) |
| Attacco di uscita | G1-1/4, SAE 16 |
| Pressione massima | 315 bar (4600 psi) |
| Portata nominale | 240 L/min (63.4 US gpm) |
| Tipo di struttura | Valvola monoblocco |
| Attacco di ingresso | G1, SAE 16 |
**Caratteristiche e Vantaggi del Prodotto:**
* Controllo manuale per un funzionamento preciso
* Costruzione monoblocco per una maggiore durata e affidabilità
* Elevata portata di 240 L/min (63.4 US gpm) per soddisfare le esigenze anche delle applicazioni più impegnative
* Pressione massima di 315 bar (4600 psi) per l'uso in sistemi ad alta pressione
* Ampio intervallo di temperatura da -40°C a +80°C (-40°F a +176°F) per l'uso in una varietà di ambienti
* 1 Bobina per un controllo semplice ed efficiente
**Applicazioni:**
La Valvola Direzionale Sezionale SD25 Manuale a 1 Bobina è ideale per l'uso in un'ampia gamma di applicazioni, tra cui:
* Movimentazione materiali
* Costruzione e movimento terra
* Agricoltura
* Veicoli industriali
* Sollevatori telescopici
* Carrelli elevatori
* Gru fuoristrada
* Impilatori
* Piattaforme aeree
* Livellatrici
* Mini escavatori
* Minipale gommate
* Pale gommate compatte
* Pale gommate



