Consegna veloce
Consegna espressa in 30 giorni



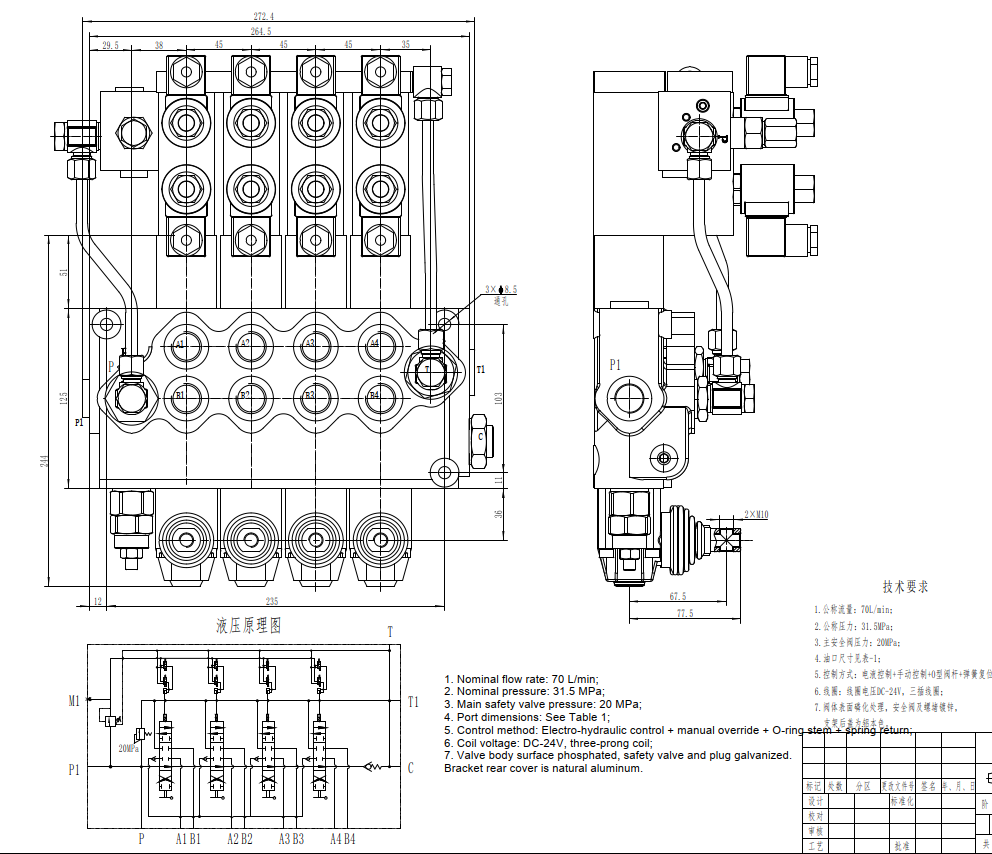
La SD11-PG2 è una valvola direzionale monoblocco elettro-idraulica a 4 cassetti ad alte prestazioni, con portata nominale di 70 L/min e pressione di 315 bar. Ideale per un'ampia gamma di applicazioni nella movimentazione materiali, edilizia, agricoltura e veicoli industriali, questa robusta valvola offre un controllo affidabile e un funzionamento preciso in ambienti esigenti.
| Serie SD11 Valvola direzionale monoblocco Parameters | |
|---|---|
| Metodo di Controllo | Manuale, Pneumatico, Elettropneumatico, Elettroidraulico, Solenoide, Idraulico, Idraulico e Manuale, Cavo, Joystick, Elettrico |
| Spoo | 1 Spool, 2 Spool, 3 Spool, 4 Spool, 5 Spool |
| Portata nominale | 70 L/min (18.5 US gpm) |
| Pressione massima | 315 bar (4600 psi) |
| Attacco di ingresso | G3/4, SAE 12 |
| Attacco di uscita | G3/4, SAE 12 |
| Dimensione attacco | G3/4, SAE 12 |
| Sezione | Sezione 1, Sezione 2, Sezione 3, Sezione 4, Sezione 5, Sezione 6, Sezione 7 |
| Tipo di struttura | Valvola monoblocco |
| Intervallo di temperatura ambiente | -40°C to +60°C (-40°F to +140°F) |
| Intervallo di viscosità operativa | 15 - 75 mm²/s (15 cSt to 75 cSt) |
La valvola direzionale monoblocco elettro-idraulica a 4 cassetti SD11-PG2 è un componente di controllo idraulico ad alte prestazioni progettato per applicazioni esigenti. La sua costruzione monoblocco garantisce elevata resistenza e affidabilità, mentre il controllo elettro-idraulico offre un funzionamento preciso e reattivo. Con una portata nominale di 70 L/min e una pressione massima di 315 bar, è adatta per una varietà di attrezzature mobili. L'ampio intervallo di viscosità operativa (15-75 mm²/s) e l'intervallo di temperatura ambiente (da -40°C a +60°C) la rendono adattabile a diverse condizioni operative. Il design a 4 cassetti offre funzionalità di controllo versatatili, rendendola adatta a diversi circuiti idraulici. Questa valvola è ideale per l'integrazione OEM in carrelli elevatori, sollevatori telescopici, pale compatte gommate, pale gommate compatte, mini-escavatori, trattori, mietitrebbie e presse. Il suo design compatto, la costruzione robusta e le prestazioni affidabili la rendono una soluzione economicamente vantaggiosa per migliorare l'efficienza e la produttività dei vostri macchinari. Offriamo produzione, OEM, private labeling, personalizzazione e opzioni all'ingrosso, e siamo attivamente alla ricerca di distributori, grossisti, agenti e partner commerciali a livello globale.



