Consegna veloce
Consegna espressa in 30 giorni



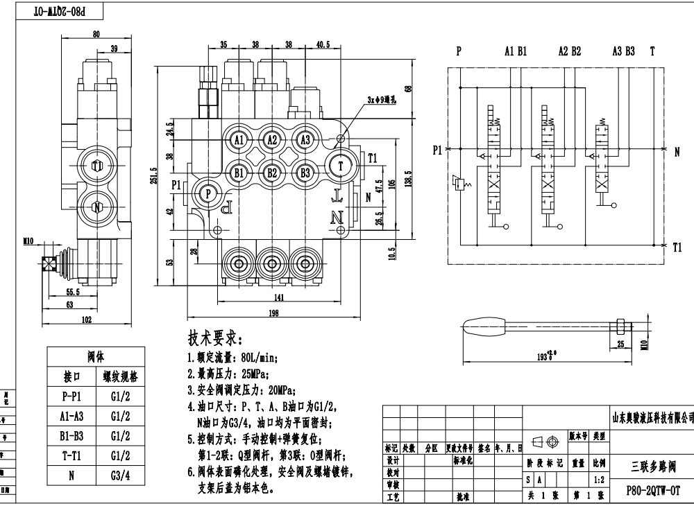
La P80-G12-2QTW-OT è una valvola direzionale monoblocco manuale a 3 sezioni, progettata per sistemi idraulici. Offre una portata nominale di 80 L/min, una pressione massima di 250 bar e un intervallo di viscosità operativa di 15 - 75 mm²/s. Questa valvola è comunemente utilizzata in varie applicazioni in settori come la movimentazione materiali, l'edilizia, il movimento terra e l'agricoltura.
| Serie P80 Valvola direzionale monoblocco Parameters | |
|---|---|
| Spoo | 1 Spool, 2 Spool, 3 Spool, 4 Spool, 5 Spool, 6 Spool, 7 Spool |
| Metodo di Controllo | Manuale, Pneumatico, Elettropneumatico, Elettroidraulico, Solenoide, Idraulico, Idraulico e Manuale, Cavo, Joystick |
| Dimensione attacco | G1/2, G3/4, M22×1.5, M27×2.0, SAE 10, 1/2 NPT, 3/4 NPT |
| Sezione | Sezione 1, Sezione 2, Sezione 3, Sezione 4, Sezione 5, Sezione 6, Sezione 7 |
| Intervallo di temperatura ambiente | -40°C to +80°C (-40°F to +176°F) |
| Intervallo di viscosità operativa | 15 - 75 mm²/s (15 cSt to 75 cSt) |
| Pressione massima | 315 bar (4600 psi) |
| Portata nominale | 80 L/min (21.2 US gpm) |
| Tipo di struttura | Valvola monoblocco |
| Attacco di ingresso | G1/2, G3/4, M27×2.0, SAE 10, SAE 12, 1/2 NPT, 3/4 NPT |
**Caratteristiche e Vantaggi del Prodotto:**
* Controllo manuale per un funzionamento preciso
* Costruzione monoblocco per durabilità e dimensioni compatte
* Elevata capacità di portata di 80 L/min per prestazioni efficienti del sistema
* Pressione massima di 250 bar per applicazioni esigenti
* Ampio intervallo di viscosità operativa per la compatibilità con vari fluidi idraulici
* Adatta per temperature ambiente che vanno da -40°C a +80°C
**Applicazioni:**
La valvola direzionale manuale P80-G12-2QTW-OT è ampiamente utilizzata nei sistemi idraulici di macchinari mobili e industriali, tra cui:
* Attrezzature per la movimentazione dei materiali come carrelli elevatori, sollevatori telescopici e gru
* Macchine edili e movimento terra come escavatori, pale caricatrici e livellatrici
* Macchinari agricoli come trattori, mietitrebbiatrici e presse per balle
* Veicoli industriali come spazzatrici, compattatori di rifiuti e autocarri scarrabili



