Consegna veloce
Consegna espressa in 30 giorni



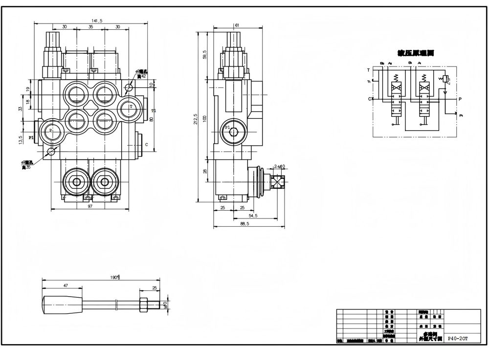
La P40-XNHJ è una robusta valvola idraulica direzionale monoblocco a 2 sezioni, manuale, con una portata nominale di 40 L/min e una pressione massima di 250 bar. Ideale per diverse applicazioni in settori come la movimentazione materiali, l'edilizia, l'agricoltura e i veicoli industriali, questa valvola offre controllo e prestazioni affidabili in ambienti esigenti.
| Serie P40-XNHJ Valvola direzionale monoblocco Parameters | |
|---|---|
| Metodo di Controllo | Manuale, Pneumatico, Elettropneumatico, Elettroidraulico, Solenoide, Idraulico, Idraulico e Manuale, Cavo, Joystick, Manuale e joystick |
| Spoo | 1 Spool, 2 Spool, 3 Spool, 4 Spool, 5 Spool, 6 Spool, 7 Spool |
| Portata nominale | 40 L/min (10.5 US gpm) |
| Pressione massima | 250 bar (3600 psi) |
| Attacco di ingresso | G3/8, G1/2, M18×1.5, M22×1.5, SAE 8, SAE 10, 3/8 NPT, 1/2 NPT |
| Attacco di uscita | G3/8, G1/2, M18×1.5, M22×1.5, SAE 8, SAE 10, 3/8 NPT, 1/2 NPT |
| Dimensione attacco | G3/8, G1/2, M18×1.5, SAE 8, SAE 10, 3/8 NPT, 1/2 NPT |
| Sezione | Sezione 1, Sezione 2, Sezione 3, Sezione 4, Sezione 5, Sezione 6, Sezione 7 |
| Tipo di struttura | Valvola monoblocco |
| Intervallo di temperatura ambiente | -40°C to +80°C (-40°F to +176°F) |
| Intervallo di viscosità operativa | 15 - 75 mm²/s (15 cSt to 75 cSt) |
La valvola direzionale monoblocco manuale a 2 sezioni P40-XNHJ è un componente idraulico ad alte prestazioni progettato per applicazioni esigenti. La sua struttura monoblocco compatta garantisce affidabilità e durata, mentre il suo controllo manuale offre un funzionamento preciso. Con una portata nominale di 40 L/min e una pressione massima di 250 bar, è adatta per una vasta gamma di attrezzature. L'ampio intervallo di viscosità e temperatura operativa della valvola (da -40°C a +80°C) garantisce prestazioni costanti in condizioni diverse. Le sue due sezioni consentono un controllo versatile delle funzioni idrauliche. Questa valvola è ideale per l'uso in carrelli elevatori, sollevatori telescopici, pale gommate compatte, trattori, mini-escavatori, terne, presse, mietitrici e irroratrici, fornendo un controllo idraulico affidabile ed efficiente per varie operazioni. La P40-XNHJ è costruita per resistere ad ambienti difficili e offrire prestazioni durature, rendendola una soluzione economicamente vantaggiosa sia per i produttori di apparecchiature originali (OEM) che per gli utenti finali. Offriamo opzioni di produzione, OEM, private labeling, personalizzazione e vendita all'ingrosso, e stiamo attivamente cercando distributori, grossisti, agenti e commercianti a livello globale.



