Consegna veloce
Consegna espressa in 30 giorni



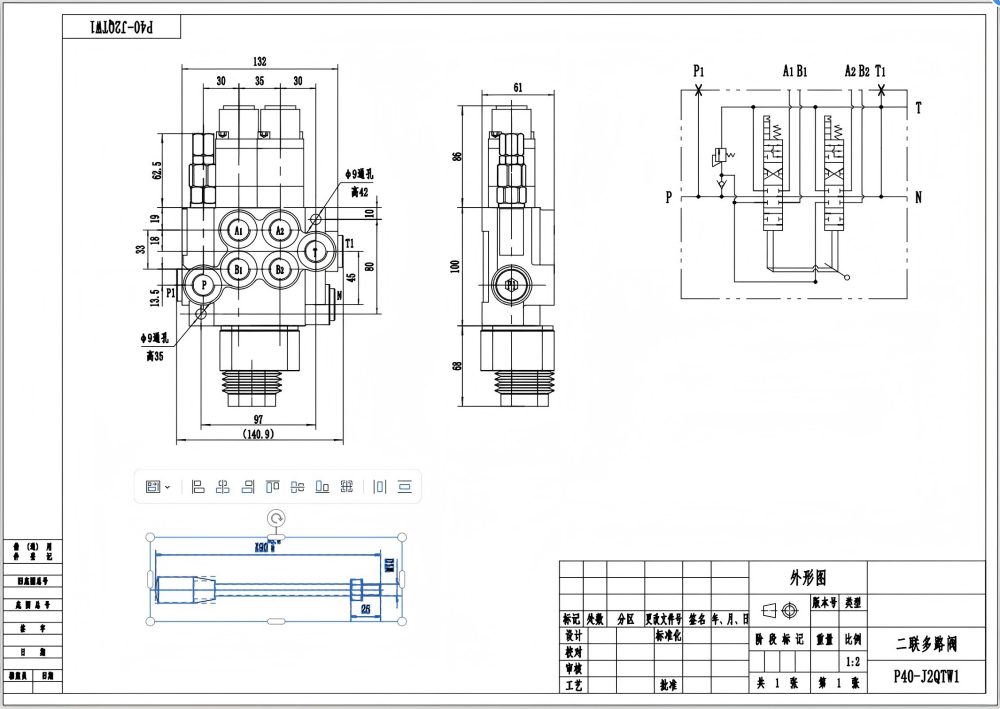
La valvola direzionale monoblocco P40 con controllo manuale e joystick a 2 bobine è una valvola idraulica ad alte prestazioni progettata per applicazioni esigenti. Con una portata nominale di 40 L/min e una pressione massima di 250 bar, fornisce un controllo preciso sul flusso e sulla direzione del fluido. Il suo design monoblocco compatto garantisce durata e affidabilità, mentre le sue opzioni di controllo manuale e joystick offrono versatilità e facilità d'uso.
| Serie P40 Valvola direzionale monoblocco Parameters | |
|---|---|
| Metodo di Controllo | Manuale, Pneumatico, Elettropneumatico, Elettroidraulico, Solenoide, Idraulico, Idraulico e Manuale, Cavo, Joystick, Manuale e joystick |
| Spoo | 1 Spool, 2 Spool, 3 Spool, 4 Spool, 5 Spool, 6 Spool, 7 Spool |
| Portata nominale | 40 L/min (10.5 US gpm) |
| Pressione massima | 250 bar (3600 psi) |
| Attacco di ingresso | G3/8, G1/2, M18×1.5, M22×1.5, SAE 8, SAE 10, 3/8 NPT, 1/2 NPT |
| Attacco di uscita | G3/8, G1/2, M18×1.5, M22×1.5, SAE 8, SAE 10, 3/8 NPT, 1/2 NPT |
| Dimensione attacco | G3/8, G1/2, M18×1.5, SAE 8, SAE 10, 3/8 NPT, 1/2 NPT |
| Sezione | Sezione 1, Sezione 2, Sezione 3, Sezione 4, Sezione 5, Sezione 6, Sezione 7 |
| Tipo di struttura | Valvola monoblocco |
| Intervallo di temperatura ambiente | -40°C to +80°C (-40°F to +176°F) |
| Intervallo di viscosità operativa | 15 - 75 mm²/s (15 cSt to 75 cSt) |
**Caratteristiche e Vantaggi del Prodotto:**
- Portata nominale di 40 L/min (10.5 gpm US) per un controllo efficiente del flusso
- Pressione massima di 250 bar (3600 psi) per un funzionamento affidabile in sistemi ad alta pressione
- Opzioni di controllo manuale e joystick per flessibilità e facilità d'uso
- Design monoblocco per maggiore durata e riduzione delle perdite
- Intervallo di viscosità operativa di 15 - 75 mm²/s (15 cSt a 75 cSt) per compatibilità con vari fluidi
- Intervallo di temperatura ambiente da -40°C a +80°C (da -40°F a +176°F) per l'utilizzo in condizioni di temperatura estreme
**Applicazioni:**
- Attrezzature per la movimentazione dei materiali
- Macchine edili e movimento terra
- Macchine agricole
- Veicoli industriali



