Consegna veloce
Consegna espressa in 30 giorni



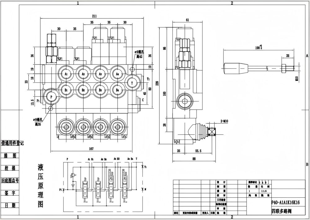
La Valvola Direzionale Monoblocco P40-G12-G38 Manuale a 4 Vie è una valvola idraulica ad alte prestazioni progettata per diverse applicazioni in settori quali la movimentazione materiali, l'edilizia, l'agricoltura e i veicoli industriali. Con la sua costruzione robusta, il controllo manuale affidabile e il design compatto monoblocco, questa valvola offre un controllo del flusso preciso e la commutazione direzionale nei sistemi idraulici.
| Serie P40 Valvola direzionale monoblocco Parameters | |
|---|---|
| Metodo di Controllo | Manuale, Pneumatico, Elettropneumatico, Elettroidraulico, Solenoide, Idraulico, Idraulico e Manuale, Cavo, Joystick, Manuale e joystick |
| Spoo | 1 Spool, 2 Spool, 3 Spool, 4 Spool, 5 Spool, 6 Spool, 7 Spool |
| Portata nominale | 40 L/min (10.5 US gpm) |
| Pressione massima | 250 bar (3600 psi) |
| Attacco di ingresso | G3/8, G1/2, M18×1.5, M22×1.5, SAE 8, SAE 10, 3/8 NPT, 1/2 NPT |
| Attacco di uscita | G3/8, G1/2, M18×1.5, M22×1.5, SAE 8, SAE 10, 3/8 NPT, 1/2 NPT |
| Dimensione attacco | G3/8, G1/2, M18×1.5, SAE 8, SAE 10, 3/8 NPT, 1/2 NPT |
| Sezione | Sezione 1, Sezione 2, Sezione 3, Sezione 4, Sezione 5, Sezione 6, Sezione 7 |
| Tipo di struttura | Valvola monoblocco |
| Intervallo di temperatura ambiente | -40°C to +80°C (-40°F to +176°F) |
| Intervallo di viscosità operativa | 15 - 75 mm²/s (15 cSt to 75 cSt) |
**Caratteristiche e Vantaggi del Prodotto:**
* Controllo manuale per un funzionamento preciso e reattivo
* Design a 4 vie per un controllo versatile del flusso
* Costruzione monoblocco per prestazioni compatte e senza perdite
* Capacità di flusso di 40 L/min (10.5 US gpm)
* Pressione nominale massima di 250 bar (3600 psi)
* Ampio intervallo di viscosità operativa di 15 - 75 mm²/s (da 15 cSt a 75 cSt)
* Costruzione durevole per applicazioni esigenti
**Applicazioni:**
La Valvola Direzionale Monoblocco P40-G12-G38 Manuale a 4 Vie è adatta per una vasta gamma di applicazioni, tra cui:
* Attrezzature per la movimentazione materiali, come carrelli elevatori, sollevatori telescopici e gru
* Macchine edili, come escavatori, pale gommate compatte e motolivellatrici
* Veicoli agricoli, come trattori, mietitrebbie e presse per balle
* Veicoli industriali, come spazzatrici, compattatori di rifiuti e scarrabili



