Consegna veloce
Consegna espressa in 30 giorni



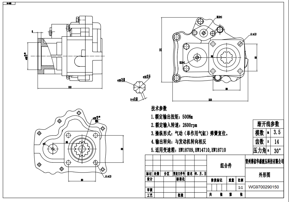
Questo HW50-03 WG9700290150 è una robusta unità di presa di forza a 4 bulloni progettata per applicazioni esigenti, che offre una coppia nominale in uscita di 350 Nm e un rapporto di velocità di 1,14. Presenta una manipolazione pneumatica (cilindro a singolo effetto) con reset a molla e lubrificazione a pressione per prestazioni affidabili, rendendola ideale per un'ampia gamma di macchinari industriali, edili e agricoli.
| Serie PTO Presa di Forza Parameters | |
|---|---|
| Tipo di montaggio | 8 bulloni, A 4 bulloni |
| Pressione aria di controllo | 8-12 bar |
| Senso di rotazione in uscita | Opposto al senso di rotazione del motore |
| Modalità di azionamento | Pneumatico (cilindro a semplice effetto) con ritorno a molla |
| Rapporto di velocità | 1.14 |
| Coppia di uscita nominale | 350 Nm |
| Opzione di lubrificazione | Lubrificazione a pressione |
| Opzione di montaggio | Montaggio standard |
Caratteristiche e Vantaggi del Prodotto:
* Elevata Coppia in Uscita: Con una potenza nominale di 350 Nm, questa PTO è adatta per azionare pompe idrauliche esigenti e altre attrezzature ausiliarie che richiedono una potenza sostanziale.
* Controllo Pneumatico: Utilizza un cilindro a singolo effetto con reset a molla per un innesto e disinnesto preciso, rapido e affidabile, operando in modo efficiente con una pressione dell'aria di 8-12 bar.
* Montaggio Durevole: Presenta un'opzione di montaggio standard a 4 bulloni, garantendo un attacco sicuro e stabile al cambio del veicolo, progettato per prestazioni robuste.
* Lubrificazione Efficiente: Dotato di un sistema di lubrificazione a pressione che assicura una lubrificazione ottimale e continua dei componenti interni, prolungando significativamente la durata dell'unità e riducendo i requisiti di manutenzione.
* Rapporto di Velocità Ottimizzato: Un rapporto di velocità attentamente selezionato di 1,14 garantisce un trasferimento di potenza efficiente ed efficace dal motore all'attrezzatura ausiliaria azionata.
* Sterzo Versatile: La direzione di sterzo in uscita è opposta alla direzione di sterzo del motore, fornendo flessibilità nella progettazione del sistema e nell'integrazione con varie configurazioni idrauliche.
* Costruzione Robusta: Costruita con materiali di alta qualità e progettata per operazioni continue e gravose in ambienti di lavoro difficili ed esigenti.
Scenari Applicativi:
Questa presa di forza HW50-03 è perfettamente adatta per una vasta gamma di sistemi idraulici mobili e stazionari che richiedono un'estrazione di potenza affidabile e controllabile dalla trasmissione di un veicolo, coprendo diversi settori:
* Costruzione e Movimento Terra: Essenziale per alimentare pompe idrauliche in macchinari pesanti come gru, escavatori, pale gommate, terne, motolivellatrici e pompe per calcestruzzo con braccio.
* Veicoli Industriali: Consente funzioni ausiliarie cruciali in vari veicoli industriali tra cui dumper, autocarri con cassone ribaltabile, compattatori di rifiuti e spazzatrici.
* Agricoltura: Ampiamente utilizzata per azionare sistemi idraulici in macchine agricole moderne come trattori, mietitrebbie, presse, irroratrici e altri attrezzi agricoli.
* Movimentazione Materiali: Fornisce una potenza robusta per sollevatori telescopici e carrelli elevatori, in particolare quelli dotati di attacchi idraulici specializzati per il sollevamento e la manipolazione di carichi pesanti.
* Attrezzature Specializzate: Applicabile in rimorchi forestali, perforatrici e altre attrezzature mobili pesanti che richiedono una fonte di alimentazione robusta, efficiente e controllabile per funzioni specializzate.



