Consegna veloce
Consegna espressa in 30 giorni



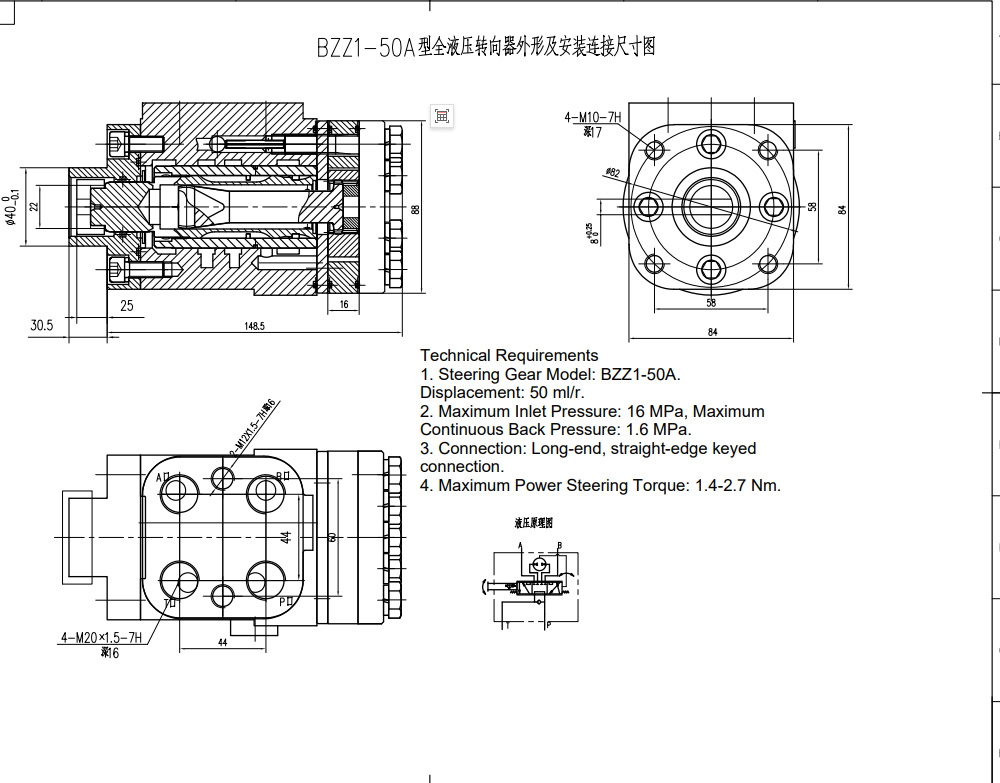
Il BZZ1-E50A è una robusta unità di sterzo idraulica con una cilindrata di 50 ml/r, progettata per una varietà di applicazioni nella movimentazione materiali, nell'edilizia, nell'agricoltura e nei veicoli industriali. Presenta una pressione di ingresso massima di 16 MPa e un blocco valvole personalizzabile per prestazioni su misura. Offriamo opzioni di produzione, OEM, ODM e all'ingrosso.
| Serie BZZ1 Unità di Sterzo Parameters | |
|---|---|
| Cilindrata | 50 ml/r, 63 ml/r, 100 ml/r, 80 ml/r, 125 ml/r, 160 ml/r, 200 ml/r, 250 ml/r, 280 ml/r, 315 ml/r, 400 ml/r, 500 ml/r, 630 ml/r, 800 ml/r, 1000 ml/r |
| Blocco valvole | Personalizzabile |
| Materiale | Ghisa |
| Portata nominale | 5 L/min, 6 L/min, 4 L/min, 7,5 L/min, 9,5 L/min, 12 L/min, 15 L/min, 19 L/min, 21 L/min, 24 L/min, 30 L/min, 38 L/min, 48 L/min, 60 L/min, 75 L/min |
| Contropressione massima continua | 2,5 MPa |
| Pressione massima di ingresso | 16 MPa |
L'unità di sterzo idraulica BZZ1-E50A offre una soluzione affidabile ed efficiente per diversi macchinari. La sua costruzione in ghisa garantisce durata e longevità, anche in condizioni operative impegnative. Le caratteristiche principali includono:
* **Alte Prestazioni:** Cilindrata di 50 ml/r, portata nominale di 4 L/min e pressione di ingresso massima di 16 MPa garantiscono uno sterzo potente e reattivo.
* **Blocco Valvole Personalizzabile:** Consente l'adattamento ai requisiti specifici della macchina e prestazioni di sistema ottimizzate.
* **Costruzione Robusta:** Il materiale in ghisa garantisce un funzionamento robusto e resistenza all'usura.
* **Applicazioni Versatili:** Adatto per una gamma di macchine, inclusi carrelli elevatori, pale compatte, pale gommate compatte, sollevatori telescopici, trattori, mini-escavatori e terne.
* **Flessibilità di Produzione:** Forniamo opzioni di produzione, OEM, ODM e all'ingrosso per soddisfare le diverse esigenze dei clienti. Siamo attivamente alla ricerca di distributori, grossisti, agenti e partner commerciali a livello globale per espandere la nostra portata di mercato. Contattateci oggi per saperne di più sulle nostre capacità e discutere le vostre esigenze specifiche.



