Consegna veloce
Consegna espressa in 30 giorni



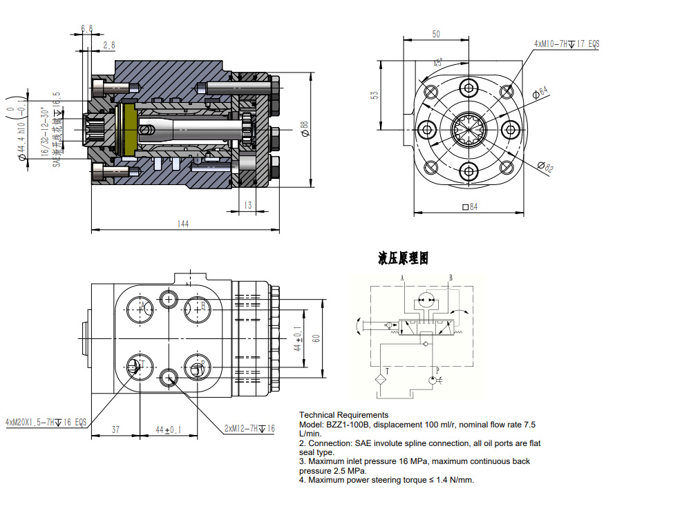
L'unità di sterzo BZZ1-E100C è un componente idraulico robusto e personalizzabile con una cilindrata di 100 ml/r, progettato per varie applicazioni nella movimentazione materiali, nell'edilizia, nell'agricoltura e nei veicoli industriali. Presenta una pressione di ingresso massima di 16 MPa e una costruzione in ghisa per una maggiore durata. Offriamo opzioni di produzione, OEM, ODM e all'ingrosso a livello globale.
| Serie BZZ1 Unità di Sterzo Parameters | |
|---|---|
| Cilindrata | 50 ml/r, 63 ml/r, 100 ml/r, 80 ml/r, 125 ml/r, 160 ml/r, 200 ml/r, 250 ml/r, 280 ml/r, 315 ml/r, 400 ml/r, 500 ml/r, 630 ml/r, 800 ml/r, 1000 ml/r |
| Blocco valvole | Personalizzabile |
| Materiale | Ghisa |
| Portata nominale | 5 L/min, 6 L/min, 4 L/min, 7,5 L/min, 9,5 L/min, 12 L/min, 15 L/min, 19 L/min, 21 L/min, 24 L/min, 30 L/min, 38 L/min, 48 L/min, 60 L/min, 75 L/min |
| Contropressione massima continua | 2,5 MPa |
| Pressione massima di ingresso | 16 MPa |
Il BZZ1-E100C è un'unità di sterzo idraulica ad alte prestazioni, ideale per un'ampia gamma di applicazioni. Le sue caratteristiche principali includono:
* **Capacità di alta pressione:** Con una pressione di ingresso massima di 16 MPa, gestisce condizioni operative impegnative.
* **Costruzione durevole:** Il materiale in ghisa garantisce affidabilità a lungo termine e resistenza all'usura.
* **Blocco valvole personalizzabile:** Consente configurazioni su misura per soddisfare requisiti applicativi specifici, migliorando flessibilità ed efficienza.
* **Portata elevata:** La portata nominale di 7,5 L/min fornisce un funzionamento dello sterzo reattivo e fluido.
* **Applicazioni versatili:** Adatto per vari tipi di attrezzature, inclusi carrelli elevatori, sollevatori telescopici, pale gommate compatte, pale mini-caricatori, mini-escavatori, trattori, mietitrebbie e presse per balle.
* **Raggio d'azione globale:** Offriamo servizi di produzione, OEM, ODM e all'ingrosso a distributori, rivenditori e agenti in tutto il mondo. Ci impegniamo a fornire prodotti di alta qualità e un servizio clienti eccezionale. Contattateci per discutere le vostre esigenze specifiche ed esplorare potenziali partnership.



