Consegna veloce
Consegna espressa in 30 giorni



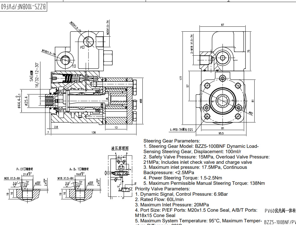
L'unità di sterzo idraulica 101S-5T-80-PV60 è una soluzione ad alte prestazioni, durevole e personalizzabile per diverse applicazioni nel settore della movimentazione materiali, dell'edilizia, dell'agricoltura e dei veicoli industriali. Con una cilindrata di 80 ml/r e una pressione di ingresso massima di 17,5 MPa, offre un controllo dello sterzo affidabile per una vasta gamma di attrezzature.
| Serie 10 Unità di Sterzo Parameters | |
|---|---|
| Cilindrata | 50 ml/r, 63 ml/r, 100 ml/r, 80 ml/r, 125 ml/r, 160 ml/r, 200 ml/r, 250 ml/r, 280 ml/r, 315 ml/r, 400 ml/r |
| Materiale | Ghisa |
| Portata nominale | 5 L/min, 6 L/min, 8 L/min, 10 L/min, 12,5 L/min, 16 L/min, 20 L/min, 25 L/min, 28 L/min, 31,5 L/min, 40 L/min |
| Blocco valvole | Personalizzabile |
| Contropressione massima continua | 2,5 MPa |
| Pressione massima di ingresso | 17,5 MPa |
L'unità di sterzo idraulica 101S-5T-80-PV60 è un componente robusto ed efficiente progettato per ambienti esigenti. Costruita con un alloggiamento in ghisa per una durabilità e longevità superiori, presenta una cilindrata di 80 ml/r e una pressione di ingresso massima di 17,5 MPa, garantendo uno sterzo potente e reattivo. La pressione di ritorno continua massima di 2,5 MPa ne migliora ulteriormente l'affidabilità e le prestazioni. La sua portata nominale di 8 L/min contribuisce a un controllo dello sterzo fluido e preciso. Il blocco valvole è personalizzabile, consentendo l'adattamento a requisiti e applicazioni specifici della macchina. Questa unità è ideale per una varietà di attrezzature, inclusi carrelli elevatori, sollevatori telescopici, pale gommate compatte, mini-escavatori, trattori, terne, spazzatrici, mietitrici e altro ancora. Le sue elevate prestazioni e il funzionamento affidabile la rendono una scelta conveniente ed efficiente per OEM, ODM e distributori che cercano una soluzione di sterzo idraulico di alta qualità. Offriamo servizi di produzione, OEM, ODM, personalizzazione e commercio all'ingrosso, ricercando attivamente distributori, grossisti, agenti e partner commerciali a livello globale.



