Consegna veloce
Consegna espressa in 30 giorni



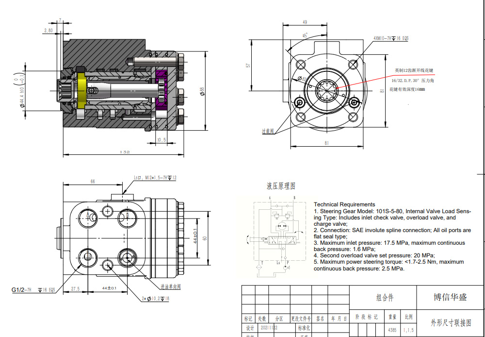
L'unità di sterzo 101S-5-80 è un'unità di sterzo idraulica robusta e personalizzabile con una cilindrata di 80 cc/giro, progettata per una varietà di applicazioni nella movimentazione dei materiali, nelle costruzioni, nell'agricoltura e nei veicoli industriali. Presenta una pressione d'ingresso massima di 17.5 MPa ed è costruita in ghisa durevole. Ideale per OEM e distributori che cercano una soluzione di sterzo affidabile e ad alte prestazioni.
| Serie 10 Unità di Sterzo Parameters | |
|---|---|
| Cilindrata | 50 ml/r, 63 ml/r, 100 ml/r, 80 ml/r, 125 ml/r, 160 ml/r, 200 ml/r, 250 ml/r, 280 ml/r, 315 ml/r, 400 ml/r |
| Materiale | Ghisa |
| Portata nominale | 5 L/min, 6 L/min, 8 L/min, 10 L/min, 12,5 L/min, 16 L/min, 20 L/min, 25 L/min, 28 L/min, 31,5 L/min, 40 L/min |
| Blocco valvole | Personalizzabile |
| Contropressione massima continua | 2,5 MPa |
| Pressione massima di ingresso | 17,5 MPa |
L'unità di sterzo 101S-5-80 è un'unità di sterzo idraulica ad alte prestazioni progettata per applicazioni esigenti. La sua cilindrata di 80 cc/giro fornisce un flusso sufficiente per un controllo dello sterzo efficiente. L'unità è costruita in ghisa durevole per prestazioni durature e resistenza all'usura. Una pressione d'ingresso massima di 17.5 MPa garantisce un funzionamento affidabile anche sotto carichi pesanti. Il blocco valvole personalizzabile consente un'integrazione flessibile in vari progetti di macchine, rendendola una soluzione versatile per diverse applicazioni. La sua portata nominale di 8 L/min offre prestazioni ottimali in una vasta gamma di macchine. Offriamo opzioni di produzione, OEM, ODM, etichettatura privata e all'ingrosso. Il 101S-5-80 è adatto per una varietà di applicazioni tra cui: carrelli elevatori, sollevatori telescopici, minipale gommate, pale gommate compatte, miniescavatori, trattori, terne, mietitrebbie e presse. Stiamo cercando attivamente distributori, grossisti, agenti e commercianti per espandere la nostra portata globale. Contattateci per discutere le vostre esigenze specifiche ed esplorare potenziali partnership.



